产品分类导航
产品搜索
- 产品概述
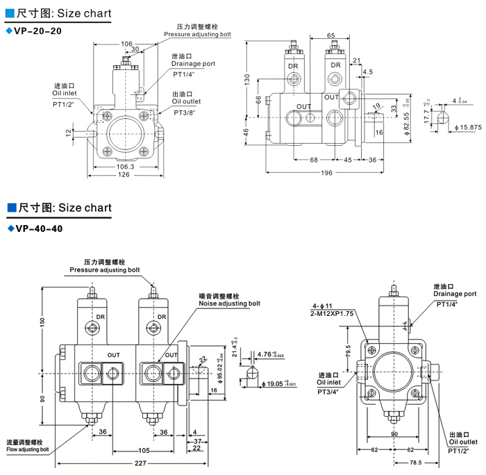
- 外形尺寸
- 技术参数
- 文档下载
双联变量叶片泵由两台泵接成一体,以一台马达直接驱动,可以减少马达的数量。使功率最合理的运用有效降低
电机消耗功率,节约能源。
可以同时为系统提供压力源,简化油路设计,提高可靠性,可连接直接式电机,安装简便。广泛应用于研磨机械、
自动车床、鞋机等机械。

双联变量叶片泵
双联变量叶片泵产品特性:
1、双联变量泵是由二个单联变量叶片泵连接一体,以达到节省空间的效果。
2、可同时供应不同回路的压力及流量。
3、特殊的限压式变量机构,可实现低压大流量,高压小流量,使功率最合理的运用有效降低电机消耗功率,
节约能源。
4、内置压力调整阀,系统无需加装调压阀。
5、高效率变量泵是由特殊压力控制机构和强制平行机构具有自动调节流量及补偿功能,达到节省能源。
6、采用特殊结构达到运转平顺,具有低震动及低噪音的特性,非常适合机床,鞋机及低噪音要求高的 械设备。
7、温升小,若搭配本公司风冷式冷却器,更能达到温升控制效果。
8、可连接直接式电机,安装简便。

双联变量叶片泵由油路的串联而组成。
两个单级叶片泵的转子装在同一根转动轴上,随着传动轴一起旋转,第一级泵经吸油管直接从油箱中吸油,
输出的油液就送到第二级泵的吸油口,第二级泵的输出油液经管路送到位作系统。
设第一级泵输出的油液压力,为了使在泵体内的两个泵的载荷平衡,在两泵中间装有载荷平衡阀,其面积比
为1:2,工作时,当第一级泵的流量大于第二级泵时,油压就会增加,推动平衡阀左移,第一级泵输出的多
余油液就会流回吸油口;
同理,当第二泵的流量大于第一级泵时,会使平衡阀右移,第二级泵输出的多余油液流回第二级泵的吸油口。
这样,使两个泵的载荷达到平衡。

我们是用德国进口的轴承,日本进口的油封,台湾的主轴和叶片,日本先进技术。
近几年金中液压有限公司一直活跃于国内外液压行业及相关产品应用领域,致力于为机械传动工业提供优质和具竞争性的产品与服务。
目前公司生产的主要(系列)产品有:变量叶片泵、定量叶片泵、变量柱塞泵、方向/压力/流量控制阀、比例阀、叠加阀、逻辑阀以及新开发产品液压系统及工程机械配套产品液压泵、马达及多路阀等,并承揽各种液压系统/液压装置的设计与制造。
产品广泛应用于注塑机,油压机、工程机械、塑胶机械、制鞋机械、压铸机械、冶金机械、矿山机械、金属切削机床以及其它各类液压系统。随着液压技术的快速发展,公司坚持追求技术创新和提高产品层级,近期投巨资加大技术改造力度,不断扩大产品品种和提升产品规格,以增强产品国际竞争力。
Copyright by www.jzyyz.com © 2012 All rights reserved. 版权所有:东莞市金中液压有限公司
联系电话:86-0769-85831413 13925199413 传真:86-0769-85891413 Msn:kingke188@163.com
备案许可证编号:粤ICP备2024238059号
地址:东莞市厚街赤岭莞太路65号(厚达科技园) Bmap Gmap
【百度统计】 :[网站后台]



















